本课程《单片机原理及应用(第4版)》是为天津科技大学学生量身打造的40课时合集,系统讲解AT89S52单片机的基本原理及其在实际工程中的应用。课程内容涵盖硬件结构、存储器配置、接口技术以及编程方法等多个方面,旨在帮助学生全面掌握单片机的核心知识。
课程概述:本课程以AT89S52单片机为核心,围绕其硬件组成、存储器结构、引脚功能、CPU架构等展开深入分析。同时,课程还结合汇编语言与C语言两种编程方式,详细讲解中断系统、定时器/计数器、串行通信、外接设备控制等实际应用场景。视频采用微课形式,便于学生随时随地学习,是课堂教学的重要补充资源。
学习目标:通过本课程的学习,学生将能够掌握单片机的基本工作原理和硬件结构;熟悉AT89S52单片机的引脚功能与CPU组成;理解存储器的组织方式和使用方法;掌握单片机的接口技术及常用外设的连接与控制;具备利用汇编语言或C语言进行单片机程序开发的能力。
适用人群:本课程适合电子工程、自动化、计算机科学等相关专业的本科生和研究生,也适用于对单片机技术感兴趣的自学者。无论是初学者还是有一定基础的学生,都能从本课程中获得实用的知识和技能。
课程大纲:
- 第一章:单片机的介绍
- 第二章:AT89C52单片机硬件结构
- 第二章:引脚功能介绍
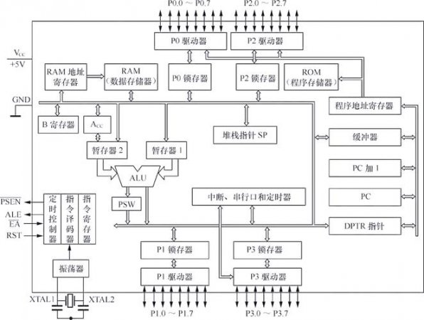
- 第二章:AT89S52单片机CPU组成
- 第二章:存储器结构(1)
- 第二章:存储器结构(2)
- 第二章:P0口结构原理
- 完整课程观看说明
课程特色:本课程注重理论与实践相结合,通过大量实例讲解单片机的实际应用。视频内容由浅入深,逐步引导学生掌握单片机的开发流程。同时,课程内容会随着后续制作不断更新,确保学生获取最新的知识和技术。
SEO关键词优化:本课程内容充分考虑了搜索引擎优化需求,关键词如“单片机原理”、“AT89S52单片机”、“存储器结构”、“汇编语言”、“C语言编程”等自然地融入文本中,提高搜索可见性。
图片插入位置1:课程内容中涉及AT89S52单片机的硬件结构,因此插入一张展示其外部结构的图片,帮助学生直观理解。

图片插入位置2:在讲解存储器结构部分时,插入一张展示存储器组织方式的示意图,有助于学生理解数据存储机制。

图片插入位置3:在介绍P0口结构原理时,插入一张P0口引脚布局的图片,便于学生识别各引脚功能。

本课程不仅适合课堂教学辅助,也适合自主学习。无论你是想深入了解单片机的工作原理,还是希望提升自己的嵌入式开发能力,本课程都将为你提供坚实的基础和实用的指导。







